|

Numar
Elementi |
Unitati
de masura
|
4 |
5 |
6 |
7 |
8 |
9 |
10 |
| Putere
- carbune / lemn |
kW |
23.3
/ 20 |
29,1
/ 25 |
34,9
/ 30 |
40,7
/ 35 |
46,5
/ 40 |
52,3
/ 45 |
58,1
/ 49 |
| Eficienta
Maxima - carbune / lemn |
% |
80
/ 78 |
80
- 78 |
80
- 78 |
80
- 78 |
80
- 78 |
80
- 78 |
80
- 78 |
| Greutate |
kg |
268
/ 257 |
304
/ 295 |
342
/ 333 |
380
/ 371 |
418
/ 409 |
456
/ 447 |
494
/ 485 |
| Lungime |
mm |
750
/ 515 |
845
/ 610 |
940
/ 705 |
1035
/ 800 |
1130
/ 895 |
1225
/ 970 |
1320
/ 1085 |
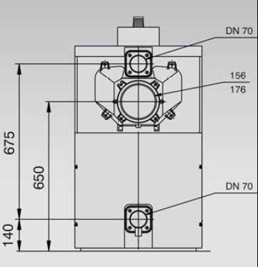
| Inaltime |
mm |
974 |
974 |
974 |
974 |
974 |
974 |
974 |
| Latime |
mm |
520 |
520 |
520 |
520 |
520 |
520 |
520 |
| Adancime
/ Lungime lemne |
mm |
339 |
434 |
529 |
624 |
719 |
814 |
909 |
| Volum
apa |
l |
47 |
60 |
73 |
86 |
99 |
112 |
125 |
| Diametru
cos fum |
mm |
156 |
156 |
156 |
156 |
156 |
176 |
176 |
| Conexiuni |
- |
1
½ " |
1
½ " |
1
½ " |
1
½ " |
1
½ " |
1
½ " |
1
½ " |
| Presiune
minima cos |
mbar |
0,16 |
0,18 |
0,20 |
0,22 |
0,24 |
0,26 |
0,28 |
| Temperatura maxima gaze |
gr.
C |
280
/ 320 |
280
/ 320 |
280
/ 320 |
280
/ 320 |
280
/ 320 |
280
/ 320 |
280
/ 320 |
| Temperatura recomandata apa |
gr.
C |
60-90 |
60-90 |
60-90 |
60-90 |
60-90 |
60-90 |
60-90 |
|


|
Avantajele
centralelor pe lemne :
-
durata lunga de viata;
- garantie;
- o gama larga de puteri;
- elemente de ajustare si securitate;
- usoare de folosit;
- asamblare facila;
|
|
|